施工现场安全防护标准化图集(临电,塔吊,施工电梯等)( 七 )
2、配电房图示:
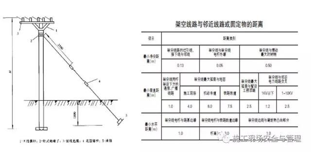
四、电线、电缆敷设
电线可以架空、桥架敷设 , 不可以埋地;电缆可以选用架空、桥架、埋地敷设 。 电缆、电线严禁沿地明设和穿越脚手架 。
推荐阅读
- [Yes娱乐现场]再任摄影师为“她们”拍海报,黄觉“你好女生”牵手《不完美的她》
- [军笑坊]浓眉大眼特有的笑容打动女心,新剧《一半一半》公开丁海寅的拍摄现场
- 「历史控」被称美国英雄,只因留下唯一的现场信息,911恐袭遇难的华裔空姐
- 宜宾新闻网▲高县成功举办秸秆综合利用现场会
- 『临沂看点』现场黑烟翻滚原因不明,临沂一毛毡厂发生火灾
- 光明网■【一图读懂】清明时节 安全防护与祭奠如何做到两不误
- 【新小神兵】B52轰炸机紧急赶赴现场,白宫:局势已刻不容缓,中东又出大事了
- 『历史控』被称美国英雄,只因留下唯一的现场信息,911恐袭遇难的华裔空姐
- 借助创维A20高端云社交智慧屏,新裤子乐队摇滚现场云LIVE超有范
- 江西都市现场@掉入“卖号”陷阱,网络女主播为走捷径
