看完后不要急着走,毕竟小编忙活这么久,点点关注小编祝您票子是多多的有。眼见不一定为真,耳听也不一定为实,真真假假用心去判断
文章插图
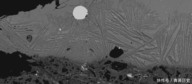
铬钢(Chromium steel),通常被称为“不锈钢”,一直以来被认为是近现代(第一次世界大战时期)的一项制造创新,但新的证据表明,古波斯人在大约1000年前就偶然发现了这种合金的早期版本,这让考古学家们备感惊讶。一项最新的研究发现,早在公元11世纪,古代波斯人就在锻造由铬钢制成的合金。这种钢很可能被用来制造剑、匕首、盔甲和其他物品,但这些金属也含有磷,这使得它们变得易碎。主持这项新研究的考古学家告诉我们,他们在查哈克(Chahak:伊朗的一个考古遗址,此地出土了炼钢的遗迹)发现的一种特殊坩埚中的钢渣含有大约1%到2%的铬和2%的磷。在此之前,考古学家和历史学家都相当肯定,铬钢(不锈钢)是近现代才发明的。事实上,我们今天所知道的不锈钢是在20世纪发展起来的,它所含的铬比古代波斯人生产的钢要多得多。古波斯人制造的铬钢“是不可能达到现代不锈钢的标准的。尽管如此,研究人员还是认为,此项研究发掘出了有力的证据,证明古波斯人在坩料中持续和故意添加铬矿物,最有可能的是铬铁矿,生产出低铬钢。中世纪波斯手稿的翻译带领研究小组来到伊朗南部的一个考古遗址查哈克(Chahak)。查哈克曾经是一个重要的钢铁生产中心,它是伊朗唯一有埚炼钢证据的考古遗址。在那里,铁与其他矿物和有机物一起被添加到长管坩埚中,然后在熔炉中密封和加热。冷却后,通过打破坩埚来取出铸锭。这项技术在包括维京人在内的许多文化中都至关重要。
文章插图
一般来说,埚钢是一种非常优质的钢。它不含杂质,非常适合生产武器、盔甲和其他工具。研究中使用的一份关键手稿是由波斯博学家阿布-雷汉比尼(Abu-Rayhan Biruni)撰写的,可追溯到公元10或11世纪。这份名为“al-Jamahir fi Marifah al-Jawahir”(了解宝石的指南)的手稿,提供了锻造埚钢的说明,但它包括一种名为“rusakhtaj(烧焦的)”的神秘化合物,研究人员分析研究后,确认是铬铁矿砂。在查哈克的挖掘工作中,人们在老(分离金属后留下的废料)中还发现了木炭残渣。这种木炭的放射性碳年代测定得出的日期范围为公元前10世纪至12世纪。用扫描电子显微镜分析了炉渣样品,发现了矿石矿物铬铁矿的踪迹。最后,对炉渣中发现的钢颗粒的分析表明,查哈克埚钢的铬含量在1%到2%之间。考古学家表示,在查哈克(Chahak)制造的铬埚钢是唯一已知的含有铬的坩埚钢,我们知道铬是一种对现代钢的生产很重要的元素,比如工具钢和不锈钢。查哈克铬坩埚钢在性能方面与现代工具钢相似,增加铬的含量可以提高强度和淬透性,这些性能都是制造工具所必需的。在世界各地的博物馆里都可以找到大量的波斯坩埚钢制品,我们已经知道坩埚钢被用来制造锋利的武器、盔甲、有声望的物品和其他工具。查哈克在历史手稿中也被称为“制作埚刀片和剑的地方”。但手稿中还提到,“这些刀以很高的价格出售,但它们很脆,因此失去了价值。”研究人员在分析过程中也检测到了磷,加入磷是为了降低金属的熔点,但也降低了一些韧性,这导致了金属的脆性。
文章插图
不管怎样,这一发现显示出了波斯炼钢的一种特殊传统,这一传统本身就相当重要。据研究人员所知,查哈克钢中的特定铬含量可以用来区分它与其他文物。学者们研究过的先前坩钢证据,均属于印度、斯里兰卡、土库曼斯坦和乌兹别克斯坦的坩钢生产中心。这些都没有显示出任何铬的痕迹。因此,铬作为查埚钢生产的一种重要成分,目前还没有在其他任何已知的埚钢工业中得到确认。这一点非常重要,因为我们现在可以在坩钢对象中寻找这种元素,并将追溯到其生产中心或生产方法。为此,研究人员希望与博物馆专家合作,分享他们的发现,并帮助确定具有这一独特铬钢特征的物品的年代和鉴定。如果朋友们喜欢,敬请关注“知新了了”!
推荐阅读
- 悟空为何定要打死白骨精?哪怕会被唐僧念咒,火眼金睛发现一秘密
- 1978年, 李渊外孙女墓被发掘, 专家发现一文物, 揭开她的奇怪癖好
- 朱厚烨墓出土一件金簪,却震撼了考古界,专家:金簪上的天上人间
- 这位将军的陵墓里发现怪酒器,不仅模样诡异,而且来路成谜
- 考古学?阿卡得文字
- 宋江既然甘心被刺配江州,为何要在浔阳楼题反诗?只因他发现……
- 油画中的美人都跑了出来,就藏在我们周围,你能发现她们吗
- 专家意外发现宋朝机关墓,打开墓门后,看到的东西让他们很吃惊
- 滨州一村民河畔取土发现石刻文物!现已捐赠至当地文物所
- 包拯是不是清官专家打开包拯墓,发现这一物品后唏嘘不已!
